Печь-камин Spartherm Passo S серая
33fa22529f01
Доставка в Казань
Удобство оплаты
Почему звонить в Очаг уже сейчас?
- Единая цена по всей России
- Бесплатная доставка
- Понимаем любой бюджет
- Считаем ВСЕ варианты
- Инструкции и видео для Монтажа
- Доступно, Оперативно, Профессионально
- Более 2 000 монтажей за 17 лет
Примеры работ #Степан_Знает
Видео галерея
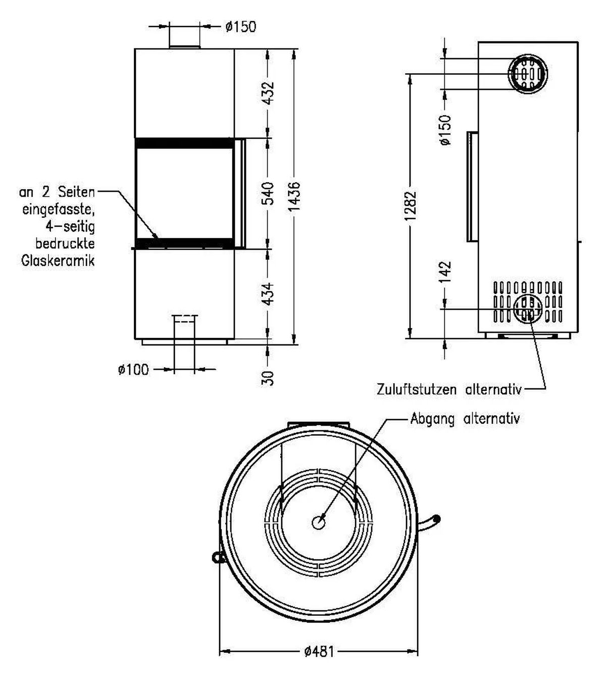
Описание
Характеристики
Общие
Производитель:
Страна-производитель:
Германия
Материал отделки:
Материал топки:
- Шамот
Тип печи:
Цвет:
Серый
Производительность
Мощность:
6,1 кВт
КПД:
80%
Площадь отопления:
70 м²
Объем отопления:
175 м³
Использование для отопления:












