Каминная топка Spartherm Mini S-FDH
97331bac16c3
Доставка в Казань
Удобство оплаты
Почему звонить в Очаг уже сейчас?
- Единая цена по всей России
- Бесплатная доставка
- Понимаем любой бюджет
- Считаем ВСЕ варианты
- Инструкции и видео для Монтажа
- Доступно, Оперативно, Профессионально
- Более 2 000 монтажей за 17 лет
Примеры работ #Степан_Знает
Видео галерея
Описание
Характеристики
Общие
Производитель:
Страна-производитель:
Германия
Остекление:
Материал корпуса:
Материал топки:
- Керамика
Конструкция топки:
Стекло с подъемом вверх:
Да
Боковое стекло:
Нет
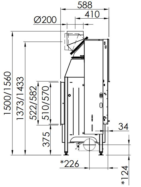
Размеры
Диаметр дымохода:
200 мм
Общая ширина:
771 мм
Общая глубина:
578 мм
Общая высота:
1405 мм
Ширина рамки:
606 мм
Производительность
Мощность:
6 кВт
КПД:
78%
Площадь отопления:
60 м²
Объем отопления:
150 м³
Использование для отопления:












