Каминная топка Romotop Heat T 3G L 88.50.01
7cd3edf062d5
Доставка в Казань
Удобство оплаты
Почему звонить в Очаг уже сейчас?
- Единая цена по всей России
- Бесплатная доставка
- Понимаем любой бюджет
- Считаем ВСЕ варианты
- Инструкции и видео для Монтажа
- Доступно, Оперативно, Профессионально
- Более 2 000 монтажей за 17 лет
Примеры работ #Степан_Знает
Видео галерея
Описание
Характеристики
Общие
Производитель:
Страна-производитель:
Чехия
Остекление:
Материал корпуса:
Материал топки:
- Вермикулит
Конструкция топки:
Стекло с подъемом вверх:
Да
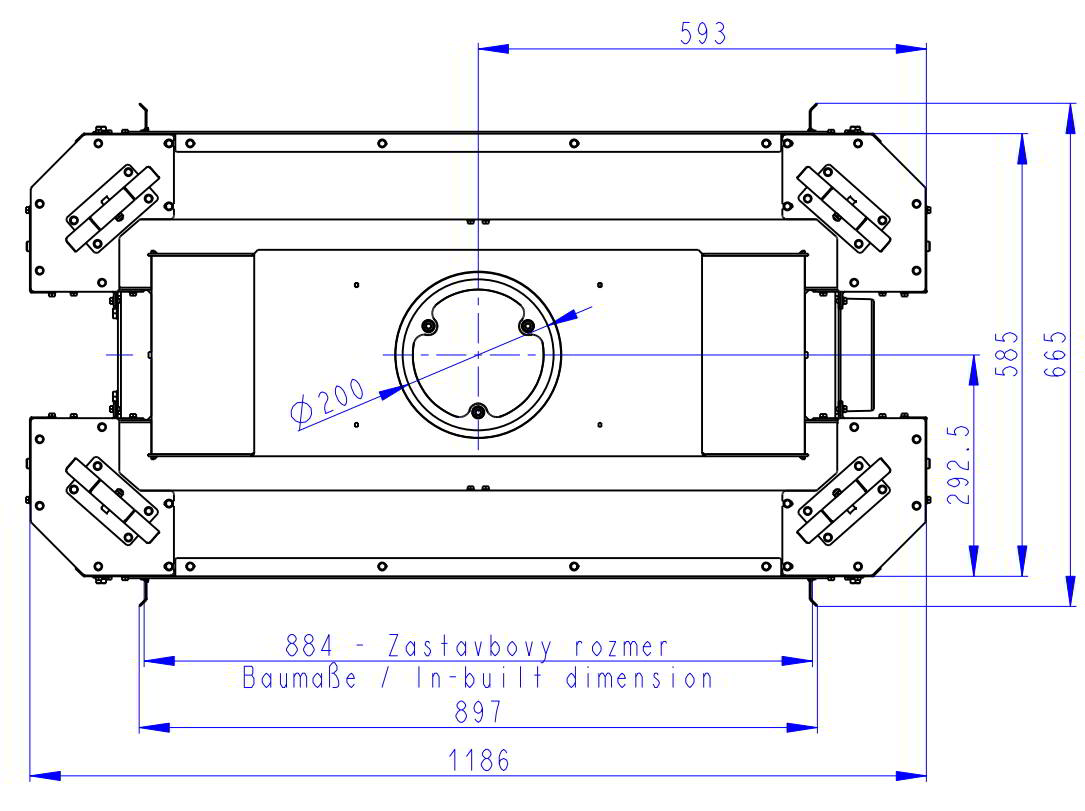
Размеры
Диаметр дымохода:
200 мм
Общая ширина:
1186 мм
Общая глубина:
585 мм
Общая высота:
1426 мм
Общий вес:
335 кг
Высота рамки:
466 мм
Ширина рамки:
851 мм
Производительность
Мощность:
10,5 кВт
КПД:
80,5%
Площадь отопления:
110 м²
Объем отопления:
275 м³
Использование для отопления:












