Каминная топка Kratki MBZ 13 L/BS
c10aed85de38
Доставка в Казань
Удобство оплаты
Почему звонить в Очаг уже сейчас?
- Единая цена по всей России
- Бесплатная доставка
- Понимаем любой бюджет
- Считаем ВСЕ варианты
- Инструкции и видео для Монтажа
- Доступно, Оперативно, Профессионально
- Более 2 000 монтажей за 17 лет
Примеры работ #Степан_Знает
Видео галерея
Описание
Характеристики
Общие
Производитель:
Страна-производитель:
Польша
Остекление:
Материал корпуса:
Материал топки:
- Керамика
Конструкция топки:
Стекло с подъемом вверх:
Нет
Боковое стекло:
Слева
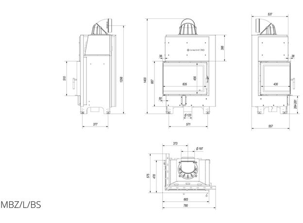
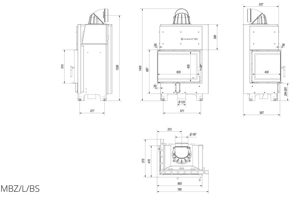
Размеры
Диаметр дымохода:
200 мм
Общая ширина:
775 мм
Общая глубина:
570 мм
Общая высота:
1399 мм
Общий вес:
200 кг
Высота рамки:
510 мм
Ширина рамки:
635 мм
Производительность
Мощность:
13 кВт
КПД:
81%
Площадь отопления:
130 м²
Объем отопления:
325 м³
Использование для отопления:












